اعلی صحت سے متعلق پاور ریگولیشن میں ڈی سی ڈی سی مستقل موجودہ چپ کیسے کام کرتی ہے؟


مضمون خلاصہ

A ڈی سی ڈی سی مستقل موجودہ چپجدید پاور مینجمنٹ سسٹم میں ایک بنیادی جزو ہے ، جو بوجھ یا ان پٹ وولٹیج کی مختلف حالتوں سے قطع نظر مستحکم اور قابل کنٹرول آؤٹ پٹ موجودہ فراہم کرنے کے لئے ڈیزائن کیا گیا ہے۔ یہ مضمون اس بات کا ایک جامع تکنیکی جائزہ پیش کرتا ہے کہ کس طرح ڈی سی ڈی سی مستقل موجودہ چپس فنکشن ، کلیدی برقی پیرامیٹرز کی جانچ پڑتال کرتا ہے ، حقیقی دنیا کے اطلاق کے منظرناموں کی کھوج کرتا ہے ، اور جوابات اکثر پوچھے گئے تکنیکی سوالات۔ موجودہ تلاش کے طرز عمل اور پیشہ ورانہ پڑھنے کی عادات کے ساتھ صف بندی کرتے ہوئے انجینئرنگ کے فیصلہ سازی ، اجزاء کے انتخاب ، اور طویل مدتی نظام کی اصلاح کی حمایت کرنے کے لئے اس مواد کی تشکیل کی گئی ہے۔

AS6911SGA


مشمولات کی جدول


مواد کی خاکہ

  • بنیادی کام کرنے والے اصول اور داخلی فن تعمیر
  • بجلی اور تھرمل پیرامیٹرز کی تفصیلی وضاحت
  • صنعتی ، آٹوموٹو ، اور صارف الیکٹرانکس ایپلی کیشنز
  • عام انجینئرنگ کے چیلنجوں سے نمٹنے کے لئے تکنیکی عمومی سوالنامہ
  • مستقبل کے ترقیاتی رجحانات اور نظام کی سطح کا انضمام

1. ڈی سی ڈی سی مستقل موجودہ چپ موجودہ کو ریگولیٹ کرنے کے لئے کس طرح ڈیزائن کیا گیا ہے؟

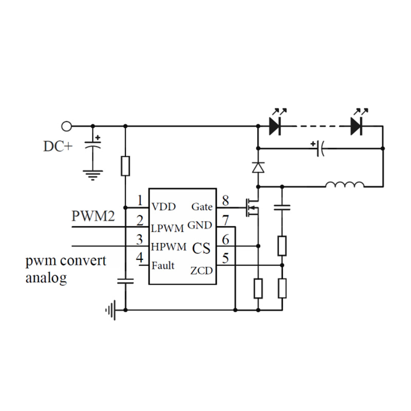
ایک ڈی سی ڈی سی مستقل موجودہ چپ ایک سوئچنگ موڈ پاور مینجمنٹ انٹیگریٹڈ سرکٹ ہے جو متحرک طور پر ڈیوٹی سائیکل ، سوئچنگ فریکوئنسی ، اور آراء پر قابو پانے والے لوپس کو ایڈجسٹ کرکے ایک مقررہ آؤٹ پٹ موجودہ کو برقرار رکھتی ہے۔ مستقل وولٹیج ریگولیٹرز کے برعکس ، پرائمری کنٹرول متغیر وولٹیج کے بجائے موجودہ ہے ، جس سے ایل ای ڈی ، لیزر ڈایڈس ، بیٹری چارجنگ سرکٹس ، اور صحت سے متعلق سینسر جیسے بوجھ کے ل this اس قسم کی چپ کو ضروری بناتا ہے۔

اندرونی طور پر ، چپ تیز رفتار غلطی یمپلیفائر ، موجودہ سینس موازنہ ، حوالہ وولٹیج سورس ، اور پاور موسفٹ ڈرائیور کو مربوط کرتی ہے۔ بوجھ کے ذریعے بہہ جانے والا موجودہ اندرونی یا بیرونی احساس مزاحم کے ذریعہ نمونہ لیا جاتا ہے۔ اس حساس سگنل کا موازنہ ایک حوالہ دہلیز کے مقابلے میں کیا جاتا ہے ، اور کنٹرول منطق لائن یا بوجھ کی تبدیلیوں کی تلافی کے ل switch سوئچنگ سلوک کو ایڈجسٹ کرتا ہے۔

مرکزی ڈیزائن کا مقصد مختلف ان پٹ شرائط کے تحت موجودہ استحکام ہے۔ بک ، بوسٹ ، یا بک بوسٹ ٹوپولوجیز میں کام کرکے ، ڈی سی ڈی سی مستقل موجودہ چپ وسیع ان پٹ وولٹیج کی حدود کی حمایت کرسکتا ہے جبکہ کارکردگی اور تھرمل حفاظت کو محفوظ رکھتے ہوئے۔


2. کلیدی پیرامیٹرز ڈی سی ڈی سی مستقل موجودہ چپ کی کارکردگی کی وضاحت کیسے کرتے ہیں؟

ایک مناسب DCDC کا انتخاب مستقل موجودہ چپ کے لئے اس کے برقی ، تھرمل اور کنٹرول خصوصیات کی قریبی جانچ کی ضرورت ہے۔ یہ پیرامیٹرز براہ راست نظام کی وشوسنییتا ، کارکردگی اور ریگولیٹری معیارات کی تعمیل کو متاثر کرتے ہیں۔

پیرامیٹر عام حد تکنیکی اہمیت
ان پٹ وولٹیج کی حد 3V - 60V بیٹری پیک ، اڈاپٹر ، یا صنعتی بسوں کے ساتھ مطابقت کی وضاحت کرتا ہے
آؤٹ پٹ موجودہ درستگی ± 1 ٪ سے ± 5 ٪ متحرک بوجھ کے تحت موجودہ ضابطے کی صحت سے متعلق تعین کرتا ہے
سوئچنگ فریکوئنسی 100 کلو ہرٹز - 2 میگاہرٹز کارکردگی ، EMI کارکردگی ، اور غیر فعال جزو کے سائز کو متاثر کرتا ہے
کارکردگی 85 ٪ - 98 ٪ تھرمل کھپت اور بجلی کے نقصان کو براہ راست متاثر کرتا ہے
تھرمل تحفظ 150 ° C - 170 ° C شٹ ڈاؤن اوورلوڈ یا ناکافی کولنگ کے تحت ڈیوائس کی ناکامی کو روکتا ہے

اعلی درجے کے آلات نرم اسٹارٹ کنٹرول ، پی ڈبلیو ایم ڈممنگ انٹرفیس ، ینالاگ موجودہ ایڈجسٹمنٹ ، اور غلطی کی تشخیص جیسی خصوصیات کو بھی مربوط کرتے ہیں۔ یہ صلاحیتیں سسٹم کی سطح کے ڈیزائن کو آسان بناتی ہیں اور بیرونی سرکٹری کی ضرورت کو کم کرتی ہیں۔


ڈی سی ڈی سی مستقل موجودہ چپ - عام سوالات اور جوابات

س: جب ان پٹ وولٹیج میں اتار چڑھاؤ آتا ہے تو ڈی سی ڈی سی مستقل موجودہ چپ مستحکم آؤٹ پٹ کو کیسے برقرار رکھتا ہے؟

A: چپ مستقل طور پر ایک آراء لوپ کے ذریعے موجودہ لوڈ پر نظر رکھتا ہے اور ریگولیٹڈ موجودہ سطح میں ردوبدل کیے بغیر ان پٹ وولٹیج میں کسی بھی تبدیلی کی تلافی کرتے ہوئے ، حقیقی وقت میں سوئچنگ ڈیوٹی سائیکل کو ایڈجسٹ کرتا ہے۔

س: اعلی موجودہ ڈی سی ڈی سی مستقل موجودہ چپ ایپلی کیشنز میں گرمی کا انتظام کیسے کیا جاتا ہے؟

A: گرمی کا انتظام اعلی کارکردگی کو تبدیل کرنے والے ٹوپولوجیز ، کم R کے ذریعے کیا جاتا ہےDS (آن)موسفٹ ، تھرمل شٹ ڈاؤن سرکٹس ، اور بہتر پی سی بی لے آؤٹ جو گرمی کی کھپت کو بہتر بناتے ہیں۔

س: سسٹم ڈیزائن میں مستقل وولٹیج ریگولیٹر سے مستقل موجودہ چپ کیسے مختلف ہے؟

A: ایک مستقل موجودہ چپ وولٹیج استحکام کے بجائے موجودہ درستگی کو ترجیح دیتی ہے ، جس سے یہ موجودہ حساس بوجھ کے ل suitable موزوں ہوجاتا ہے جہاں آپریٹنگ حالات کے لحاظ سے وولٹیج مختلف ہوسکتی ہے۔


3. صنعتوں میں ڈی سی ڈی سی مستقل موجودہ چپ کیسے لاگو ہوتی ہے؟

ڈی سی ڈی سی مستقل موجودہ چپس ان کی لچک اور کارکردگی کی وجہ سے متعدد صنعتوں میں وسیع پیمانے پر تعینات ہیں۔ ٹھوس ریاست لائٹنگ سسٹم میں ، وہ یکساں چمک کو یقینی بناتے ہیں اور ایل ای ڈی زندگی کو بڑھا دیتے ہیں۔ آٹوموٹو الیکٹرانکس میں ، وہ انکولی لائٹنگ ، آلہ کلسٹرز ، اور بیٹری مینجمنٹ سب سسٹم کی حمایت کرتے ہیں۔

صنعتی آٹومیشن سسٹم ان چپس کو سینسر ، ایکچوایٹرز اور آپٹیکل اجزاء کو چلانے کے لئے استعمال کرتے ہیں جن کے لئے موجودہ موجودہ طرز عمل کی ضرورت ہوتی ہے۔ طبی آلات سگنل کی درستگی اور مریضوں کی حفاظت کی ضمانت کے لئے مستقل موجودہ ضابطے پر انحصار کرتے ہیں۔ صارفین کے الیکٹرانکس کومپیکٹ انضمام اور کم بجلی کی کھپت سے فائدہ اٹھاتے ہیں ، خاص طور پر پورٹیبل ڈیوائسز میں۔

ہر ایپلی کیشن کا منظر نامہ منفرد بجلی اور ماحولیاتی ضروریات کو نافذ کرتا ہے ، جس سے مناسب تحفظ کی خصوصیات اور کنٹرول انٹرفیس کے ساتھ چپ کو منتخب کرنے کی اہمیت کو تقویت ملتی ہے۔


4. ڈی سی ڈی سی مستقل موجودہ چپ ٹیکنالوجی کیسے تیار ہوگی؟

ڈی سی ڈی سی مستقل موجودہ چپ ٹکنالوجی کا ارتقاء اعلی کارکردگی ، وسیع تر ان پٹ وولٹیج رواداری ، اور ذہین کنٹرول کی بڑھتی ہوئی طلب کے ذریعہ کارفرما ہے۔ مستقبل کے ڈیزائن ڈیجیٹل کنٹرول لوپس ، انکولی موجودہ اسکیلنگ ، اور مائکروکونٹرولرز اور مواصلات کے انٹرفیس کے ساتھ سخت انضمام پر زور دیتے ہیں۔

وسیع بینڈ گیپ سیمیکمڈکٹر مواد جیسے GAN اور SIC اگلی نسل کے فن تعمیرات کو متاثر کررہے ہیں جس سے اعلی سوئچنگ فریکوئنسیوں اور کم ترسیل کے نقصانات کو قابل بناتے ہیں۔ مزید برآں ، سسٹم آن چپ انضمام قابل اعتماد کو بڑھاتے ہوئے پیروں کے نشان کو کم کررہا ہے۔

چونکہ بجلی کے نظام زیادہ تقسیم اور ذہین بن جاتے ہیں ، مستقل موجودہ ضابطہ ایک بنیادی صلاحیت رہے گا جو توانائی کی بچت اور کارکردگی کی اصلاح کی حمایت کرتا ہے۔


شینزین کوکنٹیک کمپنی ، لمیٹڈصنعتی ، آٹوموٹو ، اور جدید الیکٹرانکس ایپلی کیشنز کے لئے تیار کردہ اعلی کارکردگی والے ڈی سی ڈی سی مستقل موجودہ چپ حل کی ترقی اور فراہمی پر فوکس۔ انجینئرنگ کی مستقل تطہیر اور کوالٹی سے چلنے والی مینوفیکچرنگ کے ذریعے ، کمپنی مستحکم اور توسیع پذیر پاور مینجمنٹ ڈیزائنوں کی حمایت کرتی ہے۔

براہ کرم تکنیکی مشاورت ، پیرامیٹر کی تخصیص ، یا ایپلی کیشن سے متعلق سفارشات کے لئےہم سے رابطہ کریںمنصوبے کی ضروریات اور طویل مدتی تعاون کے مواقع پر تبادلہ خیال کرنا۔

انکوائری بھیجیں۔

X
ہم آپ کو براؤزنگ کا بہتر تجربہ پیش کرنے ، سائٹ ٹریفک کا تجزیہ کرنے اور مواد کو ذاتی نوعیت دینے کے لئے کوکیز کا استعمال کرتے ہیں۔ اس سائٹ کا استعمال کرکے ، آپ کوکیز کے ہمارے استعمال سے اتفاق کرتے ہیں۔ رازداری کی پالیسی